微机原理与接口技术(六)
输入输出技术概述
- I/O接口的基本功能
- I/O接口及其编址方式
- I/O地址编码
1.I/O接口
- 接口要解决的问题
- 速度匹配→数据的缓冲与暂存
- 信号的驱动能力→信号驱动
- 信号形式和电平的匹配→信号类型转换
- 信息格式→信号格式转换
- 时序匹配(定时关系)
- 总线隔离→三态门
接口的基本构成
见图104

2.I/O端口及其编址
端口:接口电路中用于缓存数据及控制信息的部件
- 数据端口、状态端口、控制端口
见图105
![105]()
I/O端口编址
计算机系统中包含各类不同功能的接口电路
每个接口中含1个或多个端口
见图106
![106]()
端口编址
- 为确保CPU能够访问到每个不同的端口
寻址端口的方法
先找到端口的接口电路芯片→片选
再在该芯片上找具体访问的端口→片内寻址
若接口中仅有一个端口,则找到芯片即找到端口
若接口中由多个端口,则找到芯片后再找端口
每个端口地址=片选地址(高位地址)+片内地址
8086/8088寻址端口的能力
- 64K个端口
端口的编址方式
- 与内存统一编址
- 独立编址
- 内存地址资源充分利用,能够应用于端口的指令较少
见图107

8088/8086的I/O端口编址
- 采用I/O独立编址方式,与内存共用地址总线,用IO/#M信号状态区分
- 访问端口时仅使用地址总线的:A15~A0
- 可寻址的I/O端口为64K(65536)个,I/O地址范围:0~FFFFH
- IBMPC只使用了1024个I/O地址(0~3FFH)
3.I/O地址译码
目的:
- 确定端口的地址
参加译码的信号
- #IOR,#IOW,高位地址信号
对端口读/写信号的产生条件
- IO/#M=1
- #RD=0→#IOR=0
- #WR=0→#IOW=0
OUT指令将使总线的#IOW信号有效
IN指令将使总线的#IOR信号有效
当接口只有一个端口时
- 无片内地址,全部地址信号均为高位地址(可全部参与译码),译码输出直接选择该端口
当接口具有多个端口时
- 则16位地址线的高位参与译码(决定接口的基地址),而低位则用于确定要访问哪一个端口
由于端口资源丰富,端口地址译码常采用部分地址译码
I/O地址译码例
某外设接口有4个端口,地址为2F0H——2F3H,由A15~A2译码得到,而A1,A0用来区分接口中的4个端口。试画该接口与系统的连接图
地址范围
见图108
![108]()
译码电路图
见图109
![109]()
简单接口电路
1.接口的分类及特点
- 按传输信息的方向分类:
- 输入接口
- 输出接口
- 按传输信息的类型分类:
- 数字接口
- 模拟接口
- 按传输信息的方式分类:
- 并行接口
- 串行接口
见图110

接口特点
输入接口
要求对数据具有控制能力
常用三态门实现
见图111
![111]()
输出接口
要求对数据具有锁存能力
常用锁存器实现
见图112
![112]()
2.三态门接口
- 特点:
- 具有对数据的控制能力,但不具备对数据的控制能力
- 74LS244
- 含8个三态门的集成电路芯片
- 在外设具有数据保持能力时用来输入接口
见图113

三态门接口应用例
编写程序
判断图中的开关状态。若所有开关都闭合,则程序转向标号NEXT1,否则转向标号为NEXT2的程序执行。
见图114
![114]()
采用看部分地址译码,地址线A1和A0未参加译码
接口芯片的地址范围:
83FCH~83FFH
当地址总线上A15~A0出现此4个地址之一时,#E1#E2端有效,三态门导通。
题目分析
- 当开关断开时,三态门输入端I呈现高电位
- 当开关闭合时,三态门输入端I呈现低电位
1 | MOV DX, 83FCH |
3.锁存器接口
- 特点
- 具有对数据的锁存能力
- 8D锁存器
- 74LS273:8D触发器,不具备数据的控制能力
- 74LS373:含三态的8D触发器,具有对数据的控制能力
- 既可以做输入接口,也可做输出接口
74LS273
由8个D触发器组成
见图115
![115]()
锁存器接口例
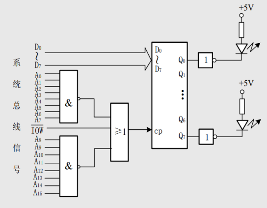
应用74LS273作为输出接口,实现对8个发光二极管的控制
见图116
![116]()
题目分析:
- 由图得,要使接到Q端得发光二极管亮,其对应得Q端须输出“1”状态,反之输出“0”状态。
由图得出锁存器74LS273得端口地址:FFFFH
程序段
1
2
3MOV DX, 0FFFFH ;数字得第一个数符是字符型时其前要加0
MOV AL, 01000001B
OUT DX, AL基本输入/输出方法
无条件传送 (程序控制方式)
查询式传送 (程序控制方式)
中断方式传送
直接存储器存取(DMA)
1.无条件传送
- 要求外设总是处于准备好状态
- 优点
- 软件及接口硬件简单
- 缺点
- 只适于简单外设,适应范围较窄
无条件传送例
见图117

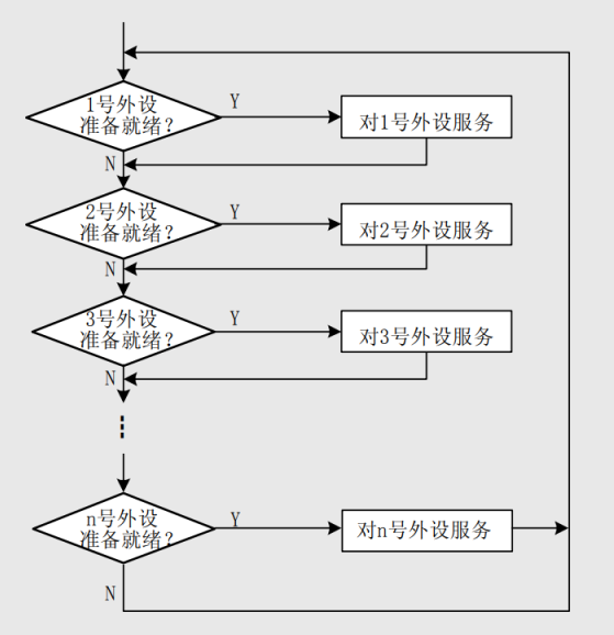
2.查询工作方式
- 仅当条件满足时才能进行数据传送
- 每满足一次条件只能进行一次数据传送
- 适用场合
- 外设并不总是准备好
- 对传送速率和效率要求不高
- 工作条件
- 外设应提供设备状态信息
- 接口应具备状态端口
查询工作方式流程图
见图118

- 优点
- 软硬件比较简单
- 缺点
- CPU效率低,数据传送得实时性差,速度较慢
见图119

3.中断控制方式
- 特点:
- 外设在需要时向CPU提出请求,CPU再去为它服务。服务结束后或在外设不需要时,CPU可执行自己的程序
- 优点
- CPU效率高,实时性好,速度快
- 缺点
- 程序编制相对较为复杂
以上三种I/O方式的共性
- 信息传送均需通过CPU
- 软件:
- 外设与内存之间的数据传送是通过CPU执行程序来完成的(PIO方式)
- 硬件:
- I/O接口和存储器的读写控制信号、地址信号都是由CPU发出的
- 缺点:
- 程序的执行速度限定了传送的最大速度
见图120

4.DMA控制方式
- 特点:
- 外设直接与存储器进行数据交换 ,CPU不再担当数据传输的中介者
- 总线由DMA控制器 (DMAC) 进行控制 (CPU要放弃总线控制权) ,内存/外设的地址和读写控制信号均由DMAC提供。
见图121

DMA控制方式的工作流程
① 外设向DMA控制器发出“DMA传送请求”信号DRQ
② DMA控制器收到请求后,向CPU发出“总线请求”信号 HOLD;
③ CPU在完成当前总线周期后会立即发出HLDA信号,对 HOLD信号进行响应;
④ DMA控制器收到HLDA信号后,就开始控制总线,并向外设 发出DMA响应信号DACK。
DMA工作方式
周期窃取:
- 每个DMA周期只传送一个字节或一个字就立即释放总线。
数据块传送:
- DMAC在申请到总线后,将一块数据传送完后才释放总 线,而不管中间DREQ是否有效。
直接存取方式:
- DMA的数据传送请求直接发到主存储器,在得到响应后, 整个工作过程在DMA控制器中由硬件完成。
周期窃取的DMA方式
见图122

4种基本I/O控制方式总结
无条件传送:
- 简单,适用范围小,仅适用于“随时准备好”的低速外设
查询工作方式
- 简单,适用于具备“状态信息”的低速外设
- CPU效率低,控制实时性差
中断方式
- 适用于中速外设
- 相对于查询方式,CPU效率较高,控制实时性较好
DMA方式
- 数据传输由DMA硬件来控制,数据直接在内存和外设之间交换,可以达到很高的传输速率。
- 控制复杂,硬件成本相对较高。
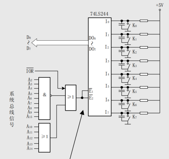
简单I/O控制系统设计
例1
外设状态端口地址为03FBH,第5位(bit5)为状态标志(=1忙,=0准备好);外设数据端口地址为03F8H,写入数据会使状态标志置1;外设把数据读走后又把它置0。
要求:
- 画出该控制系统电路图
- 利用查询工作方式,将DATA下100B数据输出。
见图123

题目分析
- 外设有1位状态位,需要通过输入接口将状态信息输入系统;
- 可选择一个三态门或74LS244接口
- 数据需由系统输出,需要通过输出接口
- 可选择74LS273接口
- 输入接口地址= 03FBH,bit5=1表示“忙”
- 输出接口地址=03F8H
- 待输出数据在内存中的首地址=DATA;
- 待输出数据块大小=100B
- 外设有1位状态位,需要通过输入接口将状态信息输入系统;
状态端口地址:0000 0011 1111 1011
数据端口地址:0000 0011 1111 1000
见图124

控制程序
1
2
3
4
5
6
7
8
9
10
11
12LEA SI, DATA
MOV CX, 100
AGAIN: MOCDX, 03FBH
WAITT: IN AL,DX
TEST AL, 20H
JNZ WAITT
MOV DX, 03F8H
MOV AL, [SI]
OUT DX, AL
INC SI
LOOP AGAIN
HLT见图125

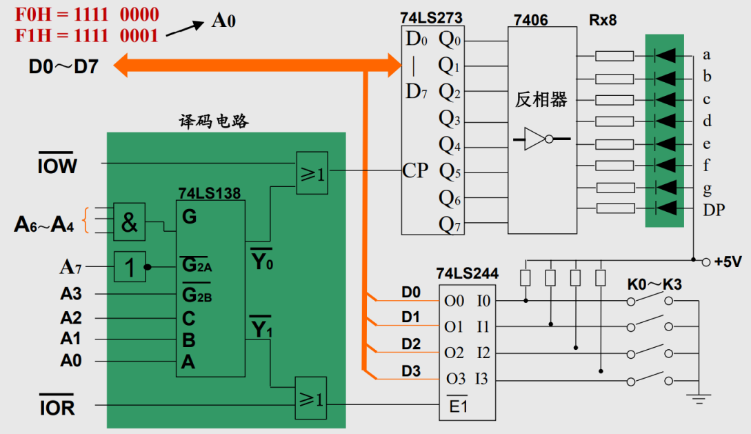
例2
根据开关状态在7段数码管上显示数字或符号
- 设输出接口的地址为F0H,输入接口地址为F1H(仅给出8位地址,为部分地址译码)
- 当开关的状态分别为0000~1111时,在7段数码管上对应显示’0’~’F’
- 外部设备,需要通过I/O接口与系统连接
- 题目分析
- 输入设备:4个开关
- 输出设备:1个七段数码管
- 需要1个输入接口,1个输出接口
见图126

见图127

见图128

- 程序段
见图129

中断技术
- 中断的基本概念
- 中断相应的一般过程
- 中断向量表
- 8088/8086中断系统
1.中断的基本概念
- 中断:
- CPU执行程序时,由于发生了某种随机的事件(外部或内部), 引起CPU暂时中断正在运行的程序,转去执行一段特殊的服务 程序,以处理该事件,该事件处理完后又返回被中断的程序 继续执行,这一过程称为中断。
- 事件为中断源
- 一段特殊的服务程序是中断服务(处理)子程序
- CPU执行程序时,由于发生了某种随机的事件(外部或内部), 引起CPU暂时中断正在运行的程序,转去执行一段特殊的服务 程序,以处理该事件,该事件处理完后又返回被中断的程序 继续执行,这一过程称为中断。
引入中断的原因
- 提高对外设的相应实时性
- 提高了CPU的利用率
- 避免了CPU不断检测外设状态的过程
中断类型
- 根据中断请求的来源分为:
- 内部中断
- 异常中断——异常事件引起
- 软件中断——中断指令引起
- 外部中断
- 可屏蔽中断——INTR中断
- 非屏蔽中断——NMI中断
- 内部中断
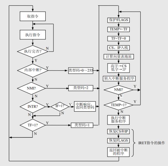
2.外部可屏蔽中断相应的一般过程
- 中断请求
- 中断源识别及中断判优
- 中断响应
- 中断处理(服务)
- 中断返回
1)中断请求
外部可屏蔽中断请求信号:INTR
- 中断请求信号应保持到中断被处理为止;
- CPU响应中断后,中断请求信号应及时撤销。
2)中断源识别
- 软件查询法
- 中断矢量法 → 由中断源提供中断类型号,CPU根据类型确定中断源
中断判优
中断源识别及判优由硬件系统完成
优先级法则
- 低优先级的中断程序允许被高优先 级的中断源所中断
排队法则
- 先来先响应
中断控制器判优:根据中断向量码(中断类型码)确定中断源
见图130

3)中断响应
外部可屏蔽中断响应信号:#INTA
- 向中断源发出#INTA中断响应信号;
- 关中断 → 不允许响应其它中断
- 保护硬件现场 → 将FLAGS压入堆栈
- 获得中断服务程序入口地址
- 以上由硬件系统完成
4)中断处理
- 执行中断服务子程序
- 中断服务子程序的特点:
- 为“远过程”
- 用IRET指令返回
中断服务子程序完成的工作
- 关中断,保护现场,保护断点,找入口地址
- 保护软件现场(参数)
- 开中断(STI)
- 中断处理
- 关中断(CLI)
- 恢复现场
- 中断返回
5)中断返回
- 执行IRET指令,使IP、CS和FLAGS从堆栈弹出
- 恢复断点和硬件现场
中断处理过程
见图131

3.中断向量表
- 存放各类中断的中断服务程序的 入口地址;
- 位于内存的00000H~003FFH。
见图132

- 每个入口占用4 Bytes,低字为段内偏移,高字 为段基址;
- 中断向量表大小为1KB,共256个入口。
见图133

4.8088/8086中断系统
见图134

8088内部中断与NMI中断
- 特点:
- 无#INTA周期
- 中断类型码固定或指令给出
8088/8086 中断响应和处理流程
见图135

输入输出与中断技术小结
应理解:
- I/O接口的基本概念和功能
- 什么是/O端口?
- I/O端口的编址方式
- 4种基本I/O方法的特点及适用场合
- 什么是中断?什么是中断向量表?
- 中断响应的一般过程
应掌握:
- I/O接口译码电路设计方法
- 利用无条件传送或查询方式实现对简单外设的控制
- 利用三态门接口和锁存器接口芯片实现对简单外设的控制
注意点与常见问题
4种基本输入输出方法各自的应用场合
- 无条件传送方式:
- 外设随时处于“准备好”状态,且不能提供状态信息
- 查询方式:
- 外设必须要能够提供状态信息
- 中断方式:
- 外设必须具备发出高电平中断请求信号的能力
- 常用于实时性要求较高的中速外设控制
- DMA方式
- 整个输入输出由硬件系统完成,适用于高速外设。
- 无条件传送方式:
简单接口电路设计
- 译码电路设计
- 总线信号
接口系统的译码电路常采用部分地址译码
中断技术
- 中断响应的一般过程
- 中断向量表
- 每个表项的含义








