微机原理与接口技术(五)
半导体存储器概述
1.半导体存储器
- 半导体存储器由能够表示二进制数“0”和“1”的,具有记忆功能的半导体器件组成
- 能存放一位二进制数的半导体器件称为一个存储单元
- 若干存储元构成一个存储单元,每个存储单元由8个存储元构成
2.半导体存储器的分类
- 内存储器
- 随机存取存储器(RAM)
- 只读存储器(ROM)
随机存取存储器(RAM)
- RAM
- 静态存储器(SRAM) 存储元为双稳态电路
- 动态存储器(DRAM) 存储元为电容
只读存储器(ROM)
- 只读存储器
- 掩膜ROM
- 一次性可写ROM
- EPROM 可读写ROM
- EEPROM 可读写ROM
3.半导体存储器的主要技术指标
- 存储容量
- 存储单元个数×每单元的二进制数位数
- 1M×1bit=1Mb
- 1M×8bit=1MB
- 存储单元个数×每单元的二进制数位数
- 存取时间
- 实现一次读/写所需要的时间
- 存取周期
- 连续启动两次独立的存储器操作所需间隔的最小时间
- 可靠性,功耗
微型机中的存储器系统
1.微机中的存储器
微型机中的存储器总体上包括:
- 内存和外存
内存储器
- 主内存
- 高速缓冲存储器
外存储器
- 联机外存
- 脱机外存
内存和外存在工作速度、容量、价格、制造材料等各方面都不相同
内存 外存 速度 快 慢 容量 小 大 单位容量价格 高 低 制造材料 半导体 磁性材料
2.微机中的存储器系统
- 存储器系统:
- 将两个或两个以上速度、容量和价格各不相同的存储器用硬件、软件或软硬件相结合的方法连接起来,使整个系统的存储速度接近最快的存储器,容量接近最大的存储器,价格接近于最便宜的存储器。
- 微型计算机中的存储系统主要有
- Cache存储器系统
- 虚拟存储器系统
Cache存储系统
- Cache存储系统由高速缓冲存储器(Cache)和主内存构成,由硬件系统负责管理
- 对程序员透明
- 主要实际目标:提高CPU访问内存的存取速度
Cache
Cache
高速缓存存储器
当命中率足够高时,整个Cache存储系统的
1)访问速度接近与Cache的存取速度
2)存储容量接近与主存的容量
3)价格接近于主存的价格
系统存取时间
命中率 * Cache存取时间 + 不命中率 * 主存存取时间
T = H * T1 + (1 - H) * T2
虚拟存储器系统
- 虚拟存储器系统由主内存和部分硬磁盘构成,主要由操作系统管理
- 对应用程序员是透明的
- 主要设计目标
- 扩大存储容量
3.微机中的存储器
见图79

随机存取存储器RAM
特点
- 可以随机读或写操作
- 掉电后存储内容即丢失
类型
- 静态随机存取存储器(SRAM)
- 动态随机存取存储器(DRAM)
要求:
- 利用已有存储器芯片,设计需要的半导体存储器
存储单元的编址
8088总线信号
见图80

- IO/#M=0
- #RD=0→#MEMR=0
- #WR=0→#MEMW=0
存储器编址
见图81

高位地址:片选地址用于选择芯片
低位地址:片内地址用于选择芯片上的单元
CS:片选信号→该信号有效时表示选中芯片
译码电路
- 将输入的一组高位地址信号通过变换,产生一个有效的输出信号,用于选中某一个存储器芯片,从而确定了该存储器芯片在内存中的地址范围。
随机存取存储器RAM
- RAM
- 静态存储器(SRAM)→存储元为双稳态电路
- 动态存储器(DRAM)→存储元为电容
DRAM的特点
- 存储元主要由电容构成
- 主要特点:
- 需要定时刷新
- 定时对存储元进行读或写操作(电容充电、放电)
- 需要定时刷新
静态随机存取存储器SRAM
- 存储元由双稳电路构成,存储信息稳定
- 示例芯片:SRAM 6264
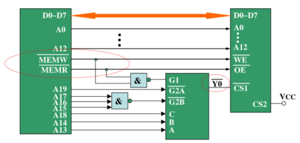
1.SRAM 6264
容量
- 8K × 8b
主要引线
- 地址线:A0——A12
- 数据线:D0——D7
- 输出允许信号:#OE
- 写允许信号:#WE
- 选片信号:#CS1,CS2
见图82
![82]()
6264的工作过程
- 读操作
- 写操作
见图83
![83]()
2.6264芯片与系统的连接
存储器芯片与系统的连接分为两部分
- 确定要访问的存储芯片
- 系统中可能存在多片存储器芯片,要访问的单元只能存在于某一片芯片上
- 找到芯片后,寻找该芯片上要访问的单元
- 6264芯片上有8K个单元,每个单元在该芯片上有唯一的13位地址码
- 每片6264芯片上第一个单元在该芯芯片上的地址:0
- 每片6264芯片上最后一个单元在该芯片上的地址:8191
- 确定要访问的存储芯片
用芯片的13位地址码A0-A12寻址篇内的每个单元
6264与系统的连接框架图
见图84
![84]()
6264芯片的编址
见图85
![85]()
- 芯片上所有的单元具有相同的高位地址(片选地址)
- 从片选首地址到片尾地址,构成芯片在内存空间中占有的地址范围
3.译码电路设计
译码:
- 将输入的一组高位地址信号通过变换,产生一个有效的输出信号,用于选中某一个存储器芯片,从而确定了该存储器芯片在内存中的地址范围(将输入的一组二进制编码变换位一个特定的输出信号)
译码方式
- 全地址译码
- 部分地址译码
全地址译码
用全部的高位地址信号作为译码信号,使得存储器芯片的每一个单元都占据一个唯一的内存地址
全地址译码例:
见图86
![86]()
6264芯片全地址译码例:
见图87
![87]()
该6264芯片的地址范围=F0000H~F1FFFH
全地址译码例:
已知某SRAM 6264芯片在内存中的地址为:3E000H~3FFFFH。试画出将该芯片连接到系统的译码电路
设计步骤
- 写出地址范围的二进制表示
- 确定各高位地址状态
- 设计译码器
高位地址:0011111
见图88
![88]()
部分地址译码
用部分高位地址信号(而不是全部)作为译码信号,使得被选中存储器芯片占有几组不同的地址范围
部分地址译码例
见图89
![89]()
高位地址:1 × 11000 —— 1011000, 1111000
两组地址:F0000H——F1FFFH
B0000H——B1FFFH
只读存储器ROM
只读存储器(Read only Memory):
①EPROM
②EEPROM
③Flash
一、EPROM
1.特点
可多次编程写入
掉电后内容不丢失
内容的擦除需用紫外线擦除器
EPROM芯片因其较高的稳定性,使用时常用作程序存储器,存放相应的控制程序
RAM芯片则因其便利性,常用作数据存储器,存放操作的数据
2.EPROM 2764
- 8K × 8bit 芯片
- 地址信号:A0——A12
- 数据信号:D0——D7
- 输出信号:OE
- 片选信号:CE
- 编程脉冲输入:PGM
- 其引脚与SRAM 2764完全兼容
2764的各种方式
- 数据读出
- 可在线随机读取
- 编程写入
- 不可在线写操作
- 需专用编程写操作环境。在编程写脉冲控制下完成写操作(每一个写脉冲写入1字节数据)
- 擦除
- 紫外光擦除
EPROM 2764的应用
2764与系统的连接
见图90
![90]()
二、EEPROM
1.特点
- 可在线编程写入
- 掉电后内容不丢失
- 电可擦除
2.工作方式
- 数据读出
- 编程写入
- 字节写入:每次写入一个字节
- 自动页写入:每次写入一页(1~32字节)
- 擦除
- 字节擦除:一次擦除一个字节
- 片擦除:一次擦除整片
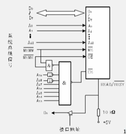
3.典型EEPROM芯片98C64A
8K × 8bit芯片
13根地址线(A0——A12)
8位数据线(D0——D7)
输出允许信号(OE)
写允许信号(WE)
选片信号(CE)
状态输出端(READY/BUSY)
98C64A工作时序
见图91

4.EEPROM的应用
可通过程序实现对芯片的读写
仅当READY/BUSY=1时才能进行“写”操作
“写”操作的方法:
①根据参数定时写入
②通过判断READY/#BUSY端的状态进行写入
- 仅当该端为高电平时才可写入下一个字节
③中断控制方式
- 当READY/#BUSY端为高电平时,该高电平可作为中断请求信号
例:
将一片98C64A接到系统总线上,使其他地址范围在3E000H~3FFFFH之间。并编程序将芯片的所有存储单元写入66H
题目分析
- 硬件设计:实现存储器芯片与系统的连接
- 软件设计:通过定时方式循环向各单元写入66H(根据芯片参数:每100us写入1字节数)
硬件设计
地址范围:
0011 1110 0000 0000 0000 —— 0011 1111 1111 1111 1111
见图92
![92]()
软件设计
通过定时方式进行写操作:
1
2
3
4
5
6
7
8
9
10START: MOV AX, 3E00H
MOV DS, AX
MOV SI, 0000H
MOV CX, 8192
AGAIN: MOV AL, 66H
MOV [SI], AL
CALL TDELAY120μs
INC SI
LOOP AGAIN
HLT三、闪速存储器Flash
1.Flash的特点
- 通过向内部控制寄存器写入命令的方法来控制芯片的工作方式
- 通过读状态寄存器的值,获取芯片当前工作状态
- 与SRAM的区别:
- 在进行写入和擦除操作时需要12V编程电压
- 与普通EEPROM的区别
- 通过读状态寄存器的内容确定是否可继续写
- 提高写命令字的方式控制其处于何种工作方式
2.工作方式
- 数据读出
- 读单元内容
- 读内部状态寄存器内容
- 读芯片的厂家及器件标记
- 编程写入
- 数据写入,写软件保护
- 擦除
- 字节擦除,块擦除,片擦除
- 擦除挂起
存储器扩展技术
存储器扩展
存储器芯片的存储容量等于:
- 单元数(字节数) × 每单元的位数(字长)
用多片存储芯片构成一个需要的内存空间
各存储器芯片在整个内存中占据不同的地址范围
任一时刻仅有一片(或一组)被选中
存储器扩展方法
- 位扩展→扩展字长
- 字扩展→扩展单元数
- 字位扩展→既扩展字长也扩展单元数
1.位扩展
- 构成内存的存储器芯片的字长小于内存单元要求的字长时——需进行位扩展
- 位扩展:每单元字长的扩展
位扩展例
实例芯片:DRAM 2164A
- 64K × 1bit
采用行地址和列地址来确定一个单元
行列地址分时传送,共用一组地址信号线
- 地址信号线的数量仅为同等容量SRAM芯片的一半
2164A芯片每单元仅1位二进制码,故1片芯片不能构成独立存储器
用8片2164A构成64KB存储体
见图93

8片2164A必须具有完全相同的地址,必须同时被选中或同时不被选中
用8片2164A芯片构成64KB存储量
见图94

位扩展方法
- 位扩展的连线特点
- 将每片的地址线,控制线并联,数据线分别引出
- 效果
- 存储器的单元数不变,位数增加
位扩展:确保所有芯片具有完全相同的地址范围对需要位扩展的存储芯片,单独1片没有意义
2.字扩展
- 地址空间的扩展
- 地址空间的扩展
- 芯片每个单元中的字长满足,但单元数不满足
- 字扩展:确保所有芯片具有完全不同的地址范围
- 扩展原则:
- 每个芯片的地址线、数据线、控制线并联
- 片选端分别引出,以使每个芯片有不同的地址范围
见图95

字扩展例
- 例
- 用SRAM 6264芯片构成容量为32KB的存储器
- 存储器的地址范围为:
- 20000H~27FFFH
- 设计
- 由地址范围得
- 需4片6264芯片
- 存储器地址范围
- 0010000 0000000000000 ~ 0010011 1111111111111 (前七位为高位地址)
- 对多片芯片构成存储器,电路设计时应考虑使用专用译码器设计
- 由地址范围得
74LS138译码器
- 74LS138
- 3输入8输出得专用译码器
- 可以同时控制8片芯片
- 在任一时刻,其所连接得8片芯片只有一片被选中
见图96

74LS138译码器主要功能
根据输入得不同编码组合,确保其控制得各电路(芯片)在任一时刻只有一路(1个芯片)处于工作状态
见图97
![97]()
字扩展例
高位地址(A19~A13)
首:0010 000
尾:0010011
见图98

- 应确保读/写信号作为译码器输入信号
- 利用74LS138译码器设计译码电路
- 首地址和尾地址的高位地址有两位状态不同,须将其接入到138的输入端
3.字位扩展
- 单元数及每单元字长均不满足要求
- 设计过程
- 根据内存容量及芯片容量确定所需存储芯片数
- 进行位扩展以满足字长要求
- 进行字扩展以满足容量要求
字位扩展例
- 例
- 用32Kb芯片构成265KB的内存
- 解
- 首先进行位扩展
- 用8片芯片构成32KB存储体
- 利用A0~A14寻址存储体内32K个单元
- 所有控制信号线和地址信号线并联引出
- 再进行字扩展
- 用8个32KB存储体构成256KB存储器
- 寻址8个存储体,至少需要3位高位地址信号
- 首先进行位扩展
半导体存储器系统设计练习
见图99

见图100

本章主要应掌握的知识点
基本概念
- 不同半导体存储器的特点及应用场合
- 微机中的存储器系统
- Cache存储器系统
- 虚拟存储器系统
半导体存储器系统设计
- 存储器芯片与系统的连接
- 译码电路及其他控制信号
- 存储器扩展技术
存储器接口设计注意点
- 片内地址用于寻址芯片上的单元,高位地址用于选择芯片(片选)
- #MEMW和#MEMR用于确保只有再对存储器芯片进行读或写操作时,译码电路才可工作。所以,他们须作为译码器输入信号
- 74LS138译码器的使能端及输入端均不能悬空
- 对全地址译码,要求全部高位地址都需作为译码器输入
SRAM存储器接口设计例
将SRAM 6264芯片与系统连接使其地址范围为:38000H~39FFFH
使用74LS138译码器构成译码电路
由题知地址范围:
A19
A12(高位地址) A12A00011100 0…0
0011100 1…1
见图101

半导体存储接口设计例
见图102

存储接口
见图103











